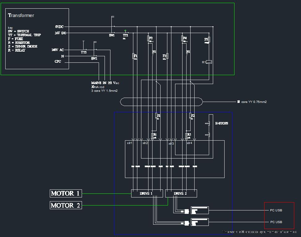
I used a 3x core YY 1.5mm2 for the ac mains side
First job for my psu was to terminate the multicore, install the 4 fuse carriers, the e-stop relay, here I also made my connections for integrating the zener diodes and resistors into the circuit. I repositioned the 3a and 10a thermal trips to the side too.
I fitted a switch on the ac side with illumination and also a switch on the dc side. I read somewhere about spikes on startup so thought I'd add this switch for added safety. Buried inside this case is a 7.5a 24v switchmode PSU.

