Thanks again for this fantastic program xSimCTRL ... and for your sharp vision guidance .
1- tried to change the Kp as you mentioned while Motor is on ... I was using 40/20 for Kp/hi , Kp/lo ... I used many values while in motion ... and the best results for me was 100/50 ... very fast and accurate response that made no remaining error even with No dead zone minD=0 ... also used minPWM=200 ... to give an extra PWM pulses enough to create a sufficient voltage [actually I didn't measure it yet ] in the 0-10v driving circuit to make the VFD move the motor enough to the last remaining nano position .

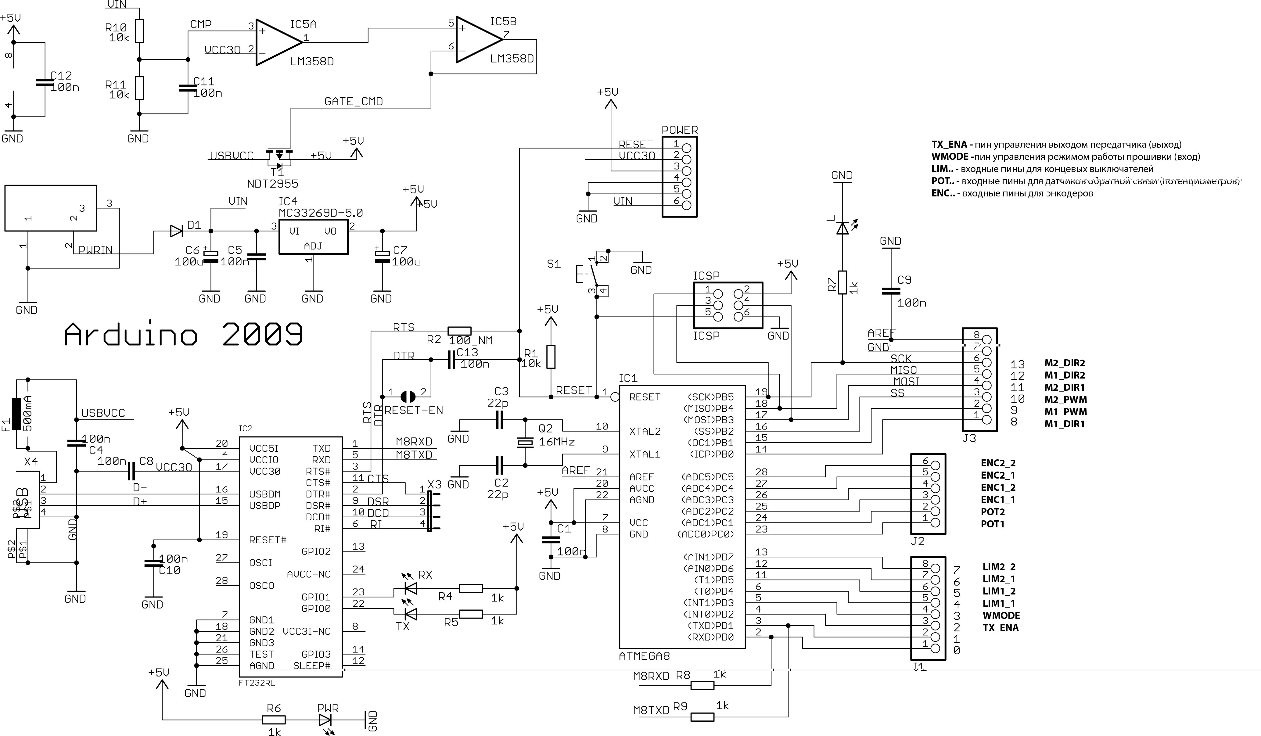
2- Also I zoomed the graph of motor 1 and noticed that the blue tiny line of the feedback pot position had ripples and noise onto it [ this is not from the AC motor ]... even the line of Motor 2 with the second extra FB pot has noise ... so I used a 100n capacitor to ground that noise as low pass filter [connected to DATA and GND ] ... the feed back line is now perfectly straight .
3- by that point I remembered I had a pouncing motor and noise ... also on the VFD direction and analog control lines [ that's why I use opt-isolator circuit now ] checked them now and non is found ... reviewed the settings for the VFD and found that I made a voltage step up limit 1.5V before VFD starts the motor ... returned it back to 0v with very good motor stability now [ retested with step 1 ].
Now for the accuracy of moving the motor on the xSimCTRL is beyond imagination ... for now I really need to sleep ... I posted this as preparation for the next Goal to be recorded on video tomorrow in the sunlight ... that's the best the mobile camera can do ... Sorry and promise to stop spending money on simulator and save to by a good one .

Regards
spe
